浙江新黎明照明股份有限公司
服务咨询热线:
15167777309
首页
公司简介
公司简介
公司介绍
企业文化
产品展厅
产品中心
产品中心
消防应急照明和疏散指示系统
防爆免维护(三防)LED灯具系列
厂用防爆灯具系列
防爆电器系列
防爆防腐电器系列
防爆风机系列
防爆管件系列
荣誉资质
资料下载
解决方案
新闻中心
联系我们
产品展示
当前位置:
首页
产品中心
防爆电器系列
产品选型手册
消防应急照明和疏散指示系统
JY-C-700系列应急照明控制器
JY-D-Ex系列应急照明集中电源(防爆)
JY-BLJC-1LROE I 1W-Ex系列集电集控型消防应急标志灯具(防爆款)
JY-ZFJC-E6W-Ex系列集电集控型消防应急照明灯具
JY-ZLJC-E15W-Ex系列集中控制消防应急照明灯具
JY-ZFJC-E9W-Ex-A系列集中控制消防应急照明灯具
JY-BLJC-1LROE I 1W系列集中控制应急疏散指示灯(三防类)
JY-ZFJC-E3W-BBJ系列集中控制防爆声光报警器
JYW-BLZD-1LROE I 3W-BXE8400系列消防应急标志灯具
JYW-ZFZD-E6W-BXW6229系列消防应急照明灯具
防爆免维护(三防)LED灯具系列
BZD180-101系列防爆免维护LED照明灯(IIC)
BZD180-103系列防爆免维护LED照明灯(IIC)
BZD180-106系列防爆免维护LED照明灯(IIC)
BZD180-110系列防爆免维护LED照明灯(IIC)
BZD180-111系列防爆免维护LED照明灯(IIC)
BZD180-112系列防爆免维护LED照明灯(IIC)
BZD188-02系列防爆免维护LED泛光灯(IIC)
BZD188-03系列防爆免维护LED泛光灯(IIC)
BZD188-04系列防爆免维护LED泛光灯(IIC)
FZD180-01系列免维护(三防)LED照明灯(固定式灯具)
FZD182系列免维护(三防)LED照明灯(固定式灯具)
厂用防爆灯具系列
BCd系列防爆灯(IIB)
CCd92系列防爆照明灯(IIC)
BJD96系列防爆警示灯(IIC)
BBJ系列防爆声光报警器(IIB、IIC)
BHZD系列防爆航空障碍灯(IIC)
BCJ系列防爆消防应急双头照明灯具(IIC)
BYY系列防爆消防应急标志灯具(IIB、IIC)
BTd92(B)系列防爆投光灯(IIB)
BTd92(C)系列防爆泛光灯(IIB)
BdH系列防爆镇流器(IIB、IIC)
BPY系列防爆荧光灯(IIB)
BPY-L系列防爆LED荧光灯(IIB)
BYS系列防爆防腐全塑荧光灯(IIC)
BHY系列防爆洁净荧光灯(IIC)
防爆电器系列
BXM(D)系列防爆照明(动力)配电箱(IIB、IIC、Ex tD)
BXS系列防爆检修电源插座箱(IIB、IIC、Ex tD)
XBK系列防爆控制箱(IIB、IIC、Ex tD)
BDz52系列防爆断路器(IIB、IIC、Ex tD)
LBZ系列防爆操作柱(IIB、IIC、Ex tD)
BQC53系列防爆磁力起动器(IIB、IIC、Ex tD)
BQJ系列防爆自耦减压电磁起动箱(IIB、IIC)
BQX系列防爆星三角起动箱(IIB、IIC)
PXK-51系列正压型防爆配电柜
PXK-51-W系列正压型防爆小屋
PXF系列正压型防爆配电柜
LA53系列防爆控制按钮(IIC、Ex tD)
BHZ51系列防爆转换开关(IIB、IIC、Ex tD)
SW-16系列防爆照明开关(IIB、Ex Td)
LX5系列防爆行程开关(IIC、Ex tD)
AC系列防爆插销(IIC、Ex tD)
BQM-10系列防爆墙壁开关(IIC、Ex tD)
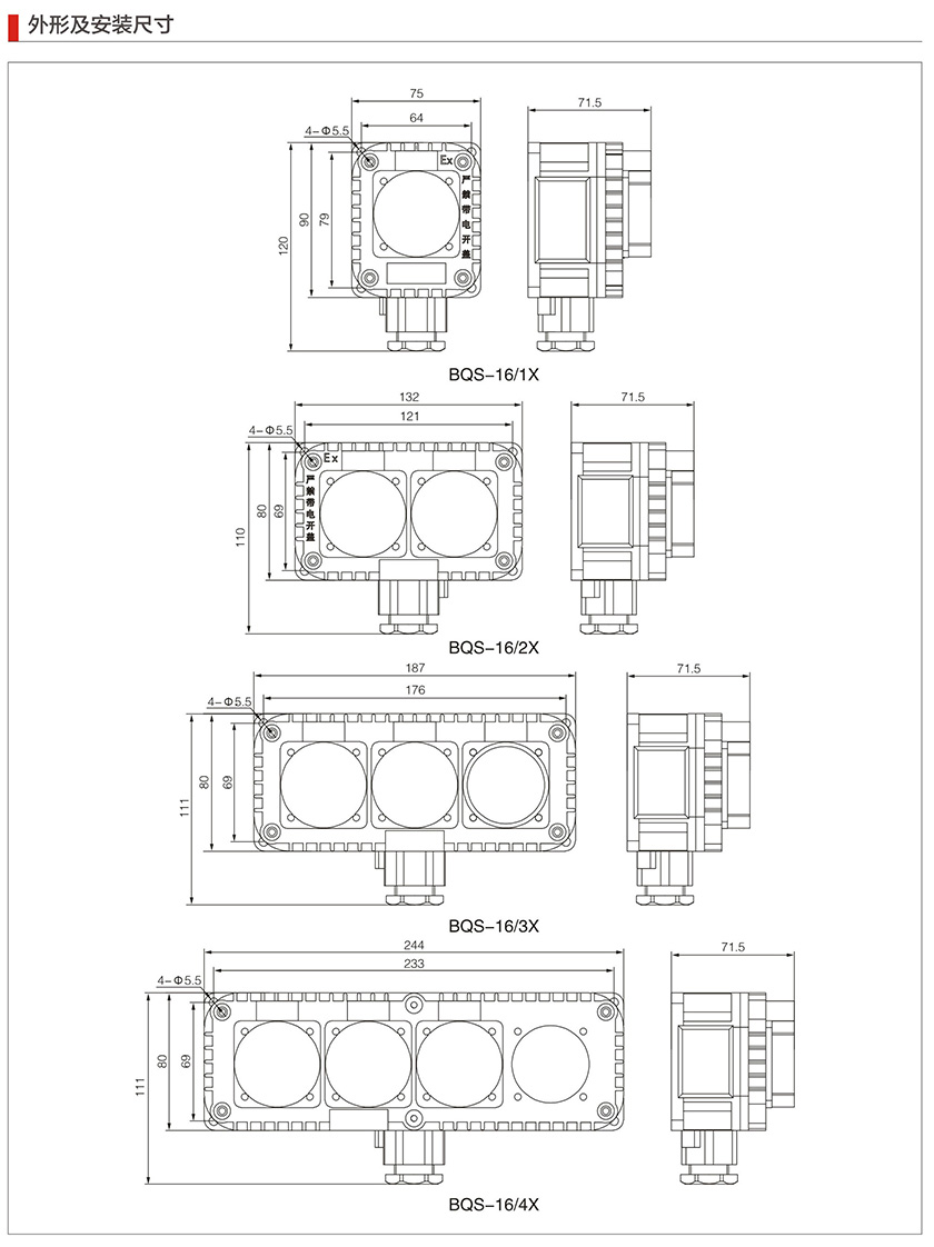
BQS-16系列防爆墙壁插座(IIC、Ex tD)
□YZ/YT系列无火花防爆插销
ZSXLM-BKFR系列防爆空调(IIC)
防爆防腐电器系列
LCZ8030系列防爆防腐操作柱(IIB、IIC、Ex tD)
ZXF8030系列防爆防腐主令控制器(IIC、Ex Td)
ZXF8044系列防爆防腐控制箱(IIC、Ex Td)
BZM8050系列防爆防腐照明开关(IIC、Ex tD)
ZXF8575系列防爆防腐插接装置(IIC、Ex tD)
BXS8030系列防爆防腐电源插座箱(IIC、Ex tD)
BXM(D)8030系列防爆防腐照明(动力)配电箱(IIC、Ex tD)
BDZ8030系列防爆防腐断路器(IIC、Ex Td)
BLG8030系列防爆防腐隔离开关(IIC、Ex tD)
BQC8030系列防爆防腐电磁起动器(IIC、Ex Td)
BDB8030系列防爆防腐电动机保护器(IIC、Ex tD)
BJX8030系列防爆防腐接线箱€
防爆风机系列
BTS系列防爆摇头扇(IIB)
BFC系列防爆吊扇(IIB)
CBF系列防爆轴流风机(IIB)
BT35-11系列防爆轴流风机(IIB)
FAG系列防爆壁式排风扇(IIB)
防爆管件系列
BJX系列防爆接线箱(IIB、IIC、Ex tD)
AH系列防爆接线盒(IIB、IIC、Ex tD)
YHXe系列防爆穿线盒(IIC)
BCG系列防爆隔离密封盒(IIC)
BGJ系列防爆管接头(d II)
BHJ系列防爆活接头(d II)
BDM系列电缆夹紧密封接头( II、e)
NGd系列防爆挠性连接管(e、IIC)
BQS-16系列防爆墙壁插座(IIC、Ex tD)
产品详情
同类产品
JY-C-700系列应急照明控制器
JY-D-Ex系列应急照明集中电源(防爆)
JY-BLJC-1LROE I 1W-Ex系列集电集控型消防应急标志灯具(防爆款)
JY-ZFJC-E6W-Ex系列集电集控型消防应急照明灯具
JY-ZLJC-E15W-Ex系列集中控制消防应急照明灯具
JY-ZFJC-E9W-Ex-A系列集中控制消防应急照明灯具
JY-BLJC-1LROE I 1W系列集中控制应急疏散指示灯(三防类)
JY-ZFJC-E3W-BBJ系列集中控制防爆声光报警器
JYW-BLZD-1LROE I 3W-BXE8400系列消防应急标志灯具
JYW-ZFZD-E6W-BXW6229系列消防应急照明灯具
BZD180-101系列防爆免维护LED照明灯(IIC)
BZD180-103系列防爆免维护LED照明灯(IIC)
BZD180-106系列防爆免维护LED照明灯(IIC)
BZD180-110系列防爆免维护LED照明灯(IIC)
BZD180-111系列防爆免维护LED照明灯(IIC)
BZD180-112系列防爆免维护LED照明灯(IIC)
BZD188-02系列防爆免维护LED泛光灯(IIC)
BZD188-03系列防爆免维护LED泛光灯(IIC)
BZD188-04系列防爆免维护LED泛光灯(IIC)
FZD180-01系列免维护(三防)LED照明灯(固定式灯具)
FZD182系列免维护(三防)LED照明灯(固定式灯具)
BCd系列防爆灯(IIB)
CCd92系列防爆照明灯(IIC)
BJD96系列防爆警示灯(IIC)
BBJ系列防爆声光报警器(IIB、IIC)
BHZD系列防爆航空障碍灯(IIC)
BCJ系列防爆消防应急双头照明灯具(IIC)
BYY系列防爆消防应急标志灯具(IIB、IIC)
BTd92(B)系列防爆投光灯(IIB)
BTd92(C)系列防爆泛光灯(IIB)
BdH系列防爆镇流器(IIB、IIC)
BPY系列防爆荧光灯(IIB)
BPY-L系列防爆LED荧光灯(IIB)
BYS系列防爆防腐全塑荧光灯(IIC)
BHY系列防爆洁净荧光灯(IIC)
BXM(D)系列防爆照明(动力)配电箱(IIB、IIC、Ex tD)
BXS系列防爆检修电源插座箱(IIB、IIC、Ex tD)
XBK系列防爆控制箱(IIB、IIC、Ex tD)
BDz52系列防爆断路器(IIB、IIC、Ex tD)
LBZ系列防爆操作柱(IIB、IIC、Ex tD)
BQC53系列防爆磁力起动器(IIB、IIC、Ex tD)
BQJ系列防爆自耦减压电磁起动箱(IIB、IIC)
BQX系列防爆星三角起动箱(IIB、IIC)
PXK-51系列正压型防爆配电柜
PXK-51-W系列正压型防爆小屋
PXF系列正压型防爆配电柜
LA53系列防爆控制按钮(IIC、Ex tD)
BHZ51系列防爆转换开关(IIB、IIC、Ex tD)
SW-16系列防爆照明开关(IIB、Ex Td)
LX5系列防爆行程开关(IIC、Ex tD)
AC系列防爆插销(IIC、Ex tD)
BQM-10系列防爆墙壁开关(IIC、Ex tD)
BQS-16系列防爆墙壁插座(IIC、Ex tD)
□YZ/YT系列无火花防爆插销
ZSXLM-BKFR系列防爆空调(IIC)
LCZ8030系列防爆防腐操作柱(IIB、IIC、Ex tD)
ZXF8030系列防爆防腐主令控制器(IIC、Ex Td)
ZXF8044系列防爆防腐控制箱(IIC、Ex Td)
BZM8050系列防爆防腐照明开关(IIC、Ex tD)
ZXF8575系列防爆防腐插接装置(IIC、Ex tD)
BXS8030系列防爆防腐电源插座箱(IIC、Ex tD)
BXM(D)8030系列防爆防腐照明(动力)配电箱(IIC、Ex tD)
BDZ8030系列防爆防腐断路器(IIC、Ex Td)
BLG8030系列防爆防腐隔离开关(IIC、Ex tD)
BQC8030系列防爆防腐电磁起动器(IIC、Ex Td)
BDB8030系列防爆防腐电动机保护器(IIC、Ex tD)
BJX8030系列防爆防腐接线箱€
BTS系列防爆摇头扇(IIB)
BFC系列防爆吊扇(IIB)
CBF系列防爆轴流风机(IIB)
BT35-11系列防爆轴流风机(IIB)
FAG系列防爆壁式排风扇(IIB)
BJX系列防爆接线箱(IIB、IIC、Ex tD)
AH系列防爆接线盒(IIB、IIC、Ex tD)
YHXe系列防爆穿线盒(IIC)
BCG系列防爆隔离密封盒(IIC)
BGJ系列防爆管接头(d II)
BHJ系列防爆活接头(d II)
BDM系列电缆夹紧密封接头( II、e)
NGd系列防爆挠性连接管(e、IIC)
相关产品
Size
BXS系列防爆检修电源插座箱(IIB、IIC、Ex tD)
查看详情
Size
PXK-51-W系列正压型防爆小屋
查看详情
Size
BHZ51系列防爆转换开关(IIB、IIC、Ex tD)
查看详情
产品售前
电话
15167777309
微信